LUXORliving J1
Function description
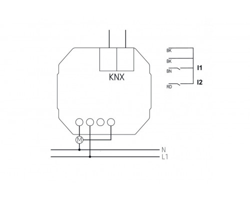
- 1-way flush-mounted blind actuator LUXORliving
- For controlling drives for blinds, roller blinds, sun and vision protection devices, skylights, and ventilation flaps
- 2 binary inputs for floating contacts such as buttons, switches, window contact, temperature sensor (I2)
- The binary inputs are assigned to the output as standard (function test before programming)
- Integrated temperature monitoring for increased operating
- Download of the installation software LUXORplug at https://luxorliving.de/luxorplug
Отзывов: 0
