LUXORliving D1
Function description
- 1-way flush-mounted dimming actuator LUXORliving
- Optimised dimming output for dimmable energy-saving lamps, LEDs, incandescent and halogen lamps, and dimmable transformers
- Easy to adapt to different lamps thanks to automatic load detection
- Adjustable dimming curve for precise and flicker-free dimming
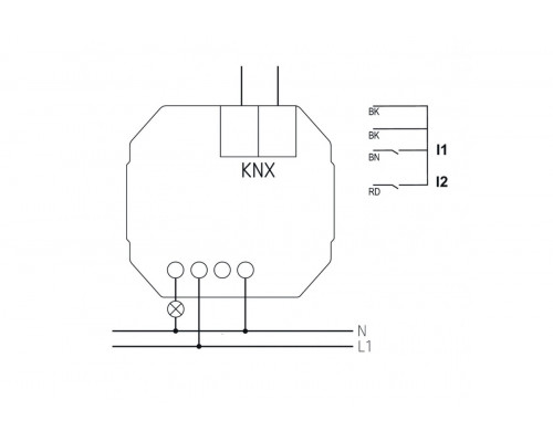
- 2 binary inputs for floating contacts such as buttons, switches, temperature sensor (I2)
- The binary inputs are assigned to the dimming output as standard (function test before programming)
- Integrated temperature monitoring for increased operating safety, e.g. in the event of overload
- Download of the installation software LUXORplug at https://luxorliving.de/luxorplug
Отзывов: 0
