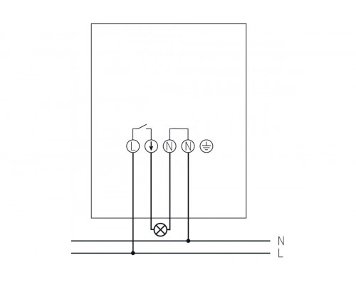
LUNA 126 star E
Function description
- Twilight switch with integrated light sensor
- Fixed On and Off switching delay
- to avoid faulty operation caused by lightning, car headlights etc.
- Cable feed from the back and from below
- Cover with snap-on function when opening for the straightforward installation of the device
- Captive screws
- Large terminal area
- Brightness value can be set without opening the device
- Large light exposure angle (approx. 180 degrees)
- Infinitely adjustable switching brightness
Отзывов: 0
