OKTO ES12-230
Function description
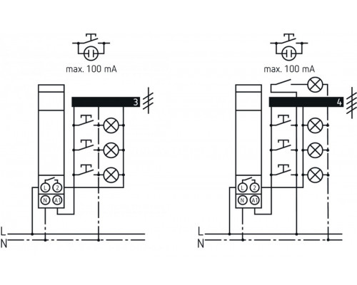
- Electronical latching relay with 1 channel/contact (normally open contact)
- Comfortable lighting control of one common consumer with several push-buttons possible
- Particularly quiet operation of the installation switch
- High glow lamp load up to 100 mA
- Automatic 3-/4-wire detection of the pulse switch
- Lamps-friendly due to zero-crossing switching for high LED loads (up to 600 W)
- Stand-by consumption of only 0.3 W
Отзывов: 0
