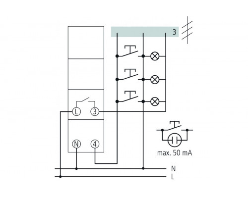
ELPA 8
Function description
- Staircase time switch, electro-mechcanical
- 4 conductor with floor lighting connection
- 3 conductor without floor lighting (no longer permitted for new systems)
- Retriggerable
- No closed-circuit current consumption
- Toggle switch for permanent light ON
- Reliable due to synchronous motor drive
- Simplest possible time setting and direct delay time readout on absolute scale
- Precision mechanics and therefore exact switching period
- Very low sensitivity to interference
Отзывов: 0
