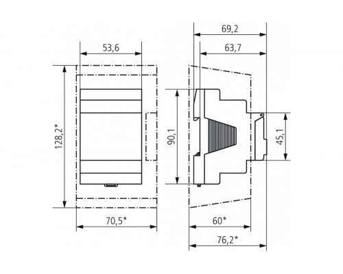
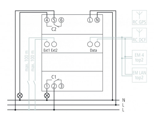
TR 642 top2 RC
Function description
- Digital time switch with yearly and astronomical time program
- Time synchronisation via connection of external DCF or GPS antennas, additional posititioning for astronomical program with GPS
- 2 channels
- 2 external inputs
- Connectable sensors (external selector switch, sequence timer)
- Connectable switches (ON or OFF permanent switching)
- Extension module can be connected
- Memory card OBELISK top2 included in delivery
- DuoFix spring terminals
- For 2 conductors each
Отзывов: 0
