TR 642 top2
Function description
- Digital time switch with yearly and astronomical time program
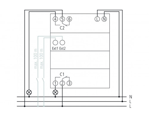
- 2 channels
- 2 external inputs
- Connectable sensors (external selector switch, sequence timer)
- Connectable switches (ON or OFF permanent switching)
- DuoFix spring terminals
- For 2 conductors each
- Wire or strand (with or without wire end sleeve)
- Wire diameter: 0.5 - 2.5 mm²
- Button for releasing plug-in connection
Отзывов: 0
