SELEKTA 172 top3 RC
Function description
- Astronomical time switch with weekly program
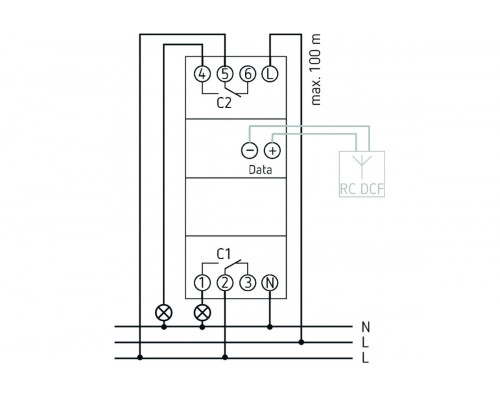
- Time synchronisation option via connection of an external DCF or GNSS antenna
- 2 channels
- Programming by app possible
- Safe transfer via optional Bluetooth Low Energy OBELISK top3
- Maximum manipulation security, time switch programs can only be transferred from the app to the time switch when the Bluetooth OBELISK top3 is plugged into the time switch
- 100% compatible with top2 (When transferring the switching programs via OBELISK to the PC, the OBELISK software as of V3.8.3.4 must be installed)
- 3 special programs (small annual program)
- 3 custom twilight ranges plus adjustable offset (sunset, twilight, darkness)
- Astro-pulse
Отзывов: 0
