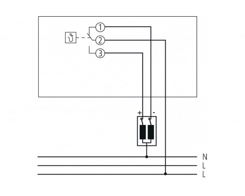
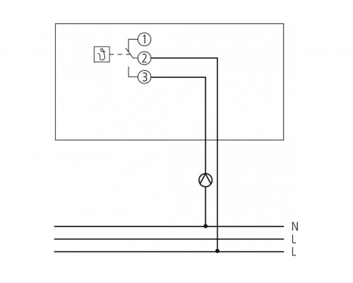
RAMSES 784 S
Function description
- Analogue clock thermostat with a low profile design for time-dependent monitoring and control of room temperature
- Electronic temperature control
- Normal and reduced temperature can be set separately
- Quartz mechanism
- Operating point and electronic recirculation are set from the front
- Party switch and program display
- Selector switch for operating mode: continuous reduced temperature, continuous normal temperature, automatic mode, frost and plant protection +6 °C
- Battery monitoring with battery replacement indicator via flashing LED
- Silting and pump protection function (option)
Отзывов: 0
