RAMSES 751 RA
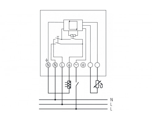
Function description
- Electronic room thermostat with remote temperature sensor for underfloor heating control
- Display of temperature reduction and heating ON
- 2-pole mains switch for heating ON/OFF
- Emergency mode for sensor malfunction at 30 % heating
- Central part fits nearly all frames using an adapter frame from the switch manufacturer
Отзывов: 0
