RAMSES 748 RA
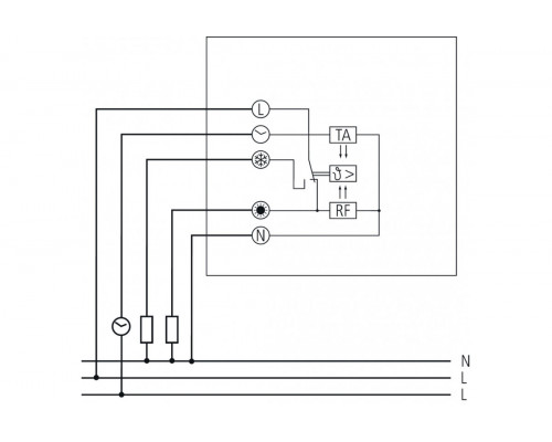
Function description
- Room temperature controller with thermal feedback
- Heating/cooling two-way switch
- With frame, central part and setting button
- Central part fits nearly all frames using an adapter frame from the switch manufacturer
- Ideal controller for refurbished and new build properties
Отзывов: 0
