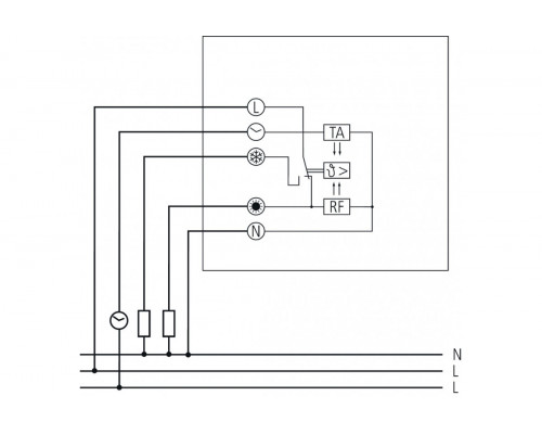
RAMSES 748
Function description
- Room temperature controller with thermal feedback
- Heating/cooling two-way switch
- Supplied as replacement device without frame, central part and setting button
- Frame, central part and setting button available as accessories
- Central part fits nearly all frames using an adapter frame from the switch manufacturer
- Ideal controller for refurbished and new build properties
Отзывов: 0
