RAMSES 746
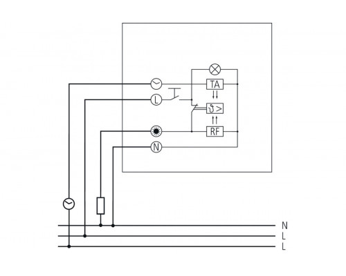
Function description
- Room temperature controller with thermal feedback
- Switch for heating ON/OFF + indicator lamp
- Supplied as replacement device without frame, central part and setting button
- Frame, central part and setting button available as accessories
- Central part fits nearly all frames using an adapter frame from the switch manufacturer
- Ideal controller for refurbished and new build properties
Отзывов: 0
