RAMSES 709
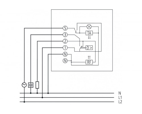
Function description
- Room temperature controller with thermal feedback
- Also suitable for air conditioning equipment
- Heating/cooling changeover contact
- 3-way selector switch for: comfort mode, reduction mode, external reduction
- Indicator lamp
- External temperature reduction (approx. 4 K) possible via control with time switch
- Suitable for all types of heating, e.g. gas, water, electric heating with central/individual room control
- Setting controller with mechanical setting limit or detection
Отзывов: 0
