RAMSES 705
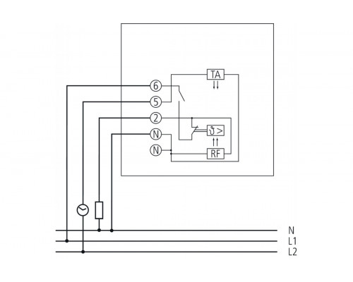
Function description
- Room temperature controller with thermal feedback
- Switch for heating ON/OFF
- Suitable for all types of heating, e.g. gas, water, electric heating with central/individual room control
- Setting controller with mechanical setting limit or detection
Отзывов: 0
