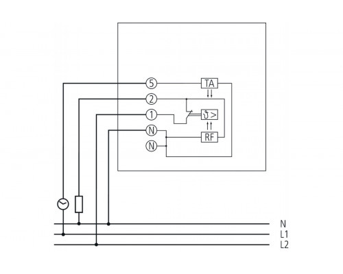
RAMSES 702
Function description
- Room temperature controller with thermal feedback
- Suitable for all types of heating, e.g. gas, water, electric heating with central/individual room control
- Setting controller with mechanical setting limit or detection
Отзывов: 0
