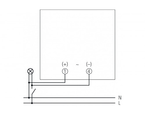
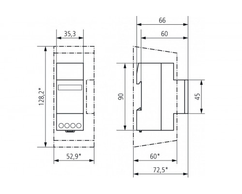
BZ 145 24V
Function description
- Hour counter with synchronous motor drive
- Built in distributor device with quick fastening for 35 mm profile rails (DIN EN 60 715)
- Top mounting with additional terminal box cover plate, sealable
- Control panel installation with assembly kit possible
- Contact protection to comply with accident prevention regulation BGV A3
- Captive screw terminals
Отзывов: 0
