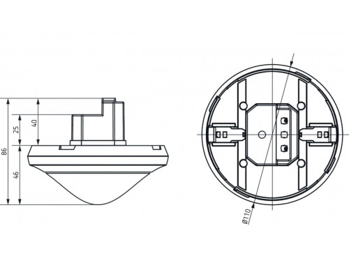
theRonda S360-110 DALI UP WH
Function description
- Passive infra-red presence detector for flush-mounted ceiling installation, DALI-2 certified
- Circular detection area 360°, Ø 8 m, (50 m2) at mounting height 3 m
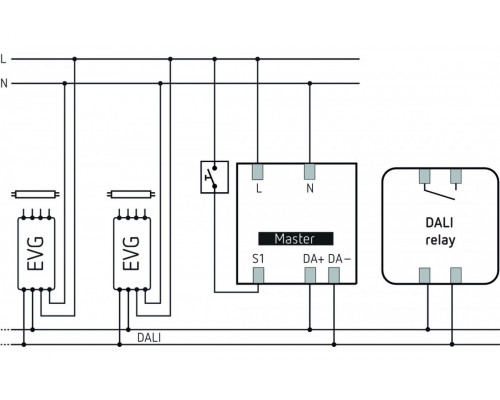
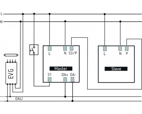
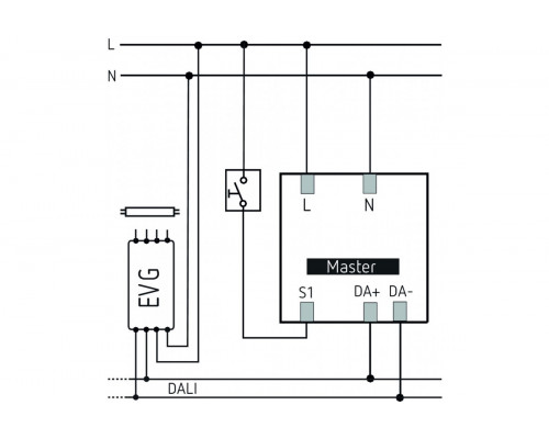
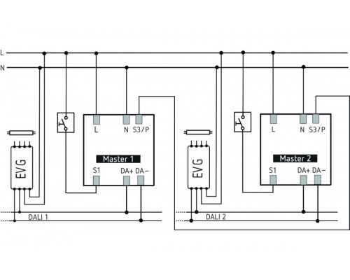
- 1 chanel light DALI-2 in broadcast mode
- DALI-2 technology according to IEC 62386 Parts 101 and 103
- 1 push-button input
- Using of conventional push-buttons for maximum design freedom
- Switch or constant light control mode with stand-by function
- Dimmable lighting in switch mode with stand-by function
- Choice of fully or semi-automatic operation
- Adjustable brightness switching value
Отзывов: 0
