LUXORliving S4
Function description
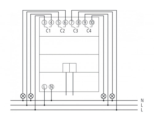
- 4-way switching actuator LUXORliving
- LED switching status display for each channel
- Manual operation on device
- Switching functions: On/Off, pulse, On/Off delay, staircase light with warning
- Download of the installation software LUXORplug at https://luxorliving.de/luxorplug
Отзывов: 0
