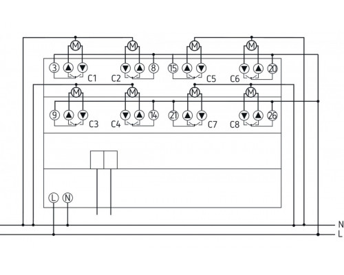
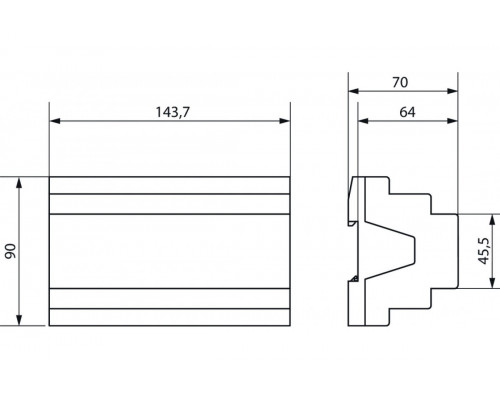
LUXORliving J8
Function description
- 8-way blind actuator LUXORliving
- For controlling drives for blinds, shutters, sun and vision protection devices
- Manual operation on device
- LED Up and Down switching status display for each channel
- Download of the installation software LUXORplug at https://luxorliving.de/luxorplug
Отзывов: 0
