LUXORliving H6
Function description
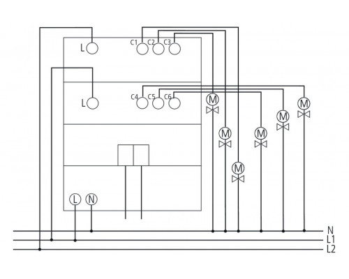
- 6-way heating actuator LUXORliving
- 6 potential-free triac outputs (24 V-250 V AC)
- Emergency program for bus or telegram failure
- Summer operation and valve protection
- LED switching status display for each channel
- Manual operation on device
- Download of the installation software LUXORplug at https://luxorliving.de/luxorplug
Отзывов: 0
