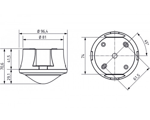
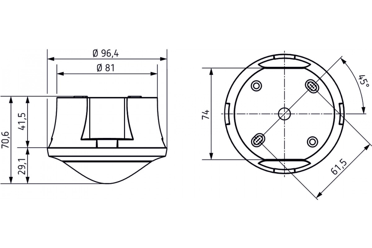
theRonda S360 KNX AP BK
Function description
- Passive infra-red presence detector KNX for ceiling installation
- Circular detection area 360°,Ø 8 m, (50 m2) at mounting height 3 m
- 2 channels light and 2 channels presence
- Mixed light measurement
- 2 light channels C1, C2
- Switching operation or constant light control with standby function (orientation light)
- Switching mode with dimmable lighting
- Choice of fully or semi-automatic
- Brightness switching value or set point value can be set in lux by using parameters, the object or via remote control
- Teach-in of the brightness switching value or the set point value
Reviews: 0
