SU 1 S RF KNX
Function description
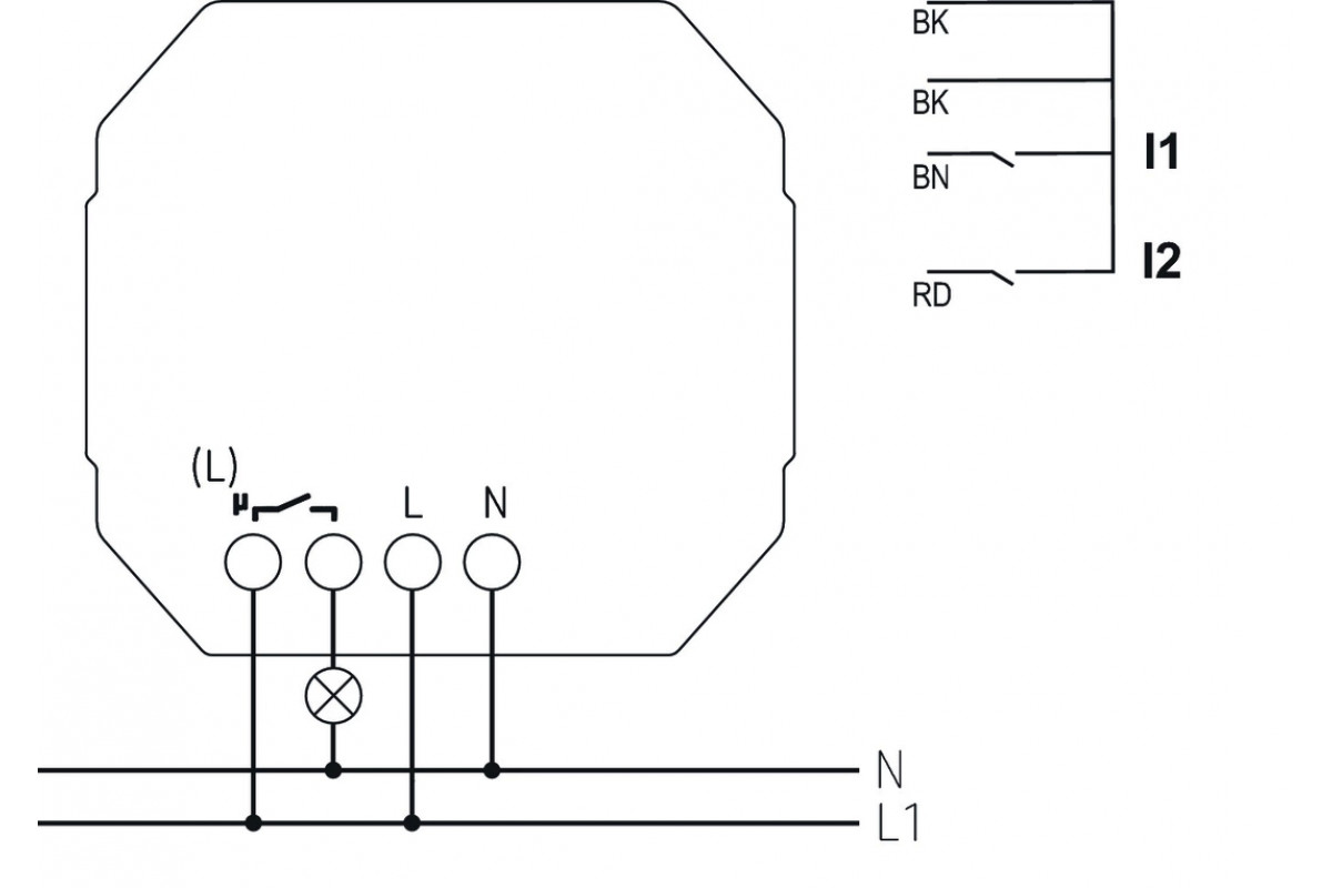
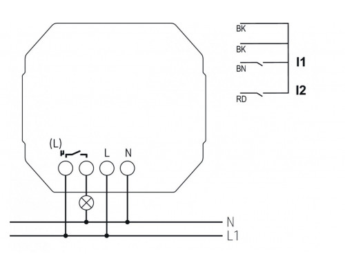
- Flush-mounted 1-way switching actuator 10 A 130 μF, KNX RF, Data Secure
- 2 binary inputs for floating contacts such as buttons, switches, temperature sensor (I2)
- Adjustable features: NC/NO contact, switching, delayed switching, pulse function
- Secure communication via KNX-RF with support from KNX Data Secure
- Easy installation due to the compact housing
- 2 binary inputs for floating contacts such as buttons, switches, temperature sensor (I2)
- Integrated temperature monitoring for increased operating safety, e.g. in the event of overload
- The binary inputs are assigned to the output as standard (function test before programming)
Reviews: 0
