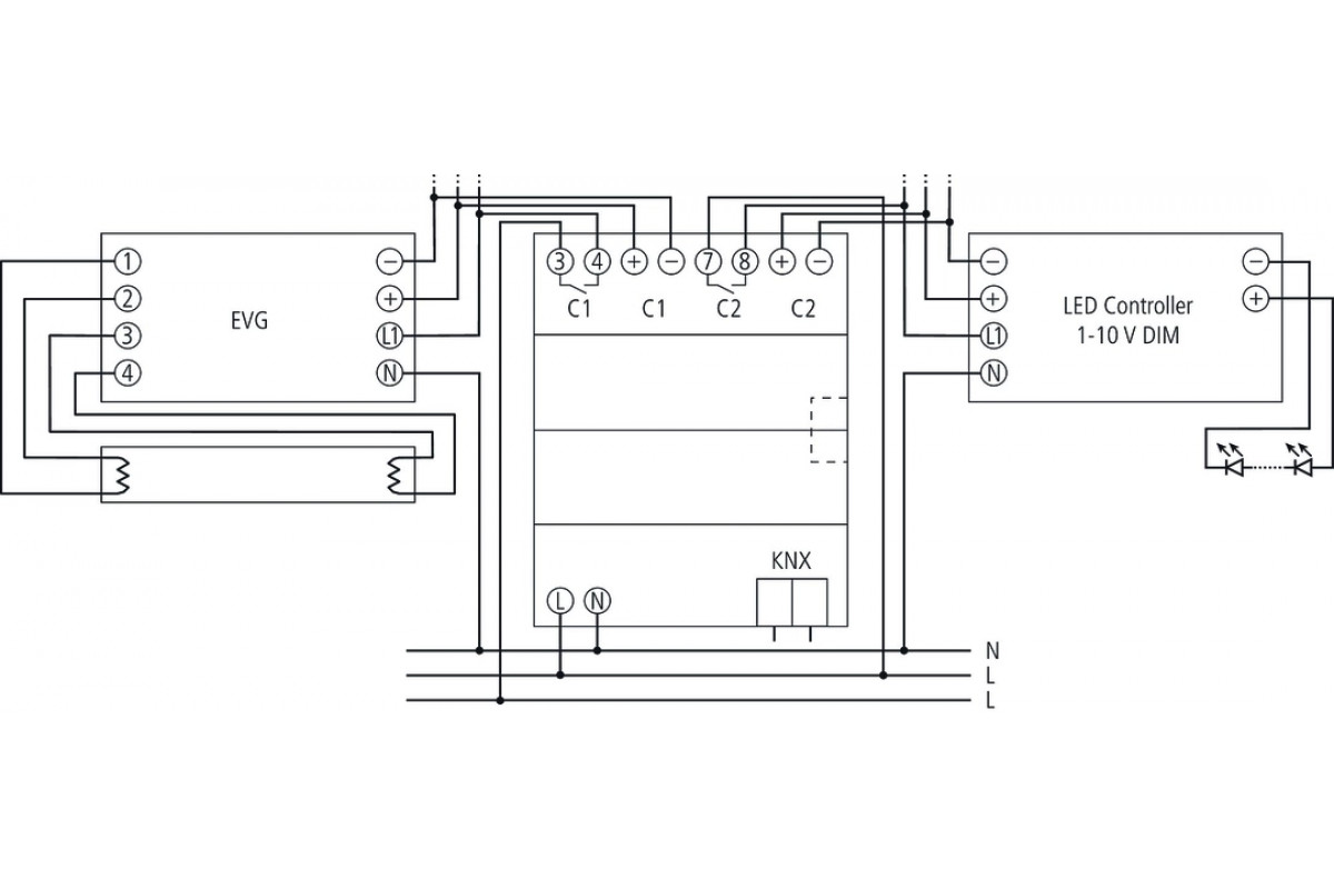
SMG 2 S KNX
Function description
- 2-way 1-10 V control unit MIX
- Base module MIX
- Can be upgraded to maximum of 6 channels
- Free combination of switches, dimming, blinds and heating control as well as binary inputs
- Switching and dimming of lighting circuits in combination with electronic ballasts (EBs and ballasts LED)
- 1-10V inputs and one switch output (relay contact) per channel
- LED switching status display for each channel
- Manual switch with On/Off/Bus settings (also without bus voltage)
- With crossover switching to spare the relay contact
Reviews: 0
