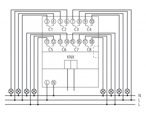
RMG 8 S KNX
Function description
- 8-way switching actuator MIX2
- Base module MIX2
- Can be upgraded to maximum of 24 channels
- Up to two extension modules MIX or MIX2 can be connected to one base module
- Device and KNX bus module can be swapped independently of each other
- Removable KNX bus module enables devices to be changed without reprogramming
- Manual set-up and use of switching actuators is possible without KNX bus module
- LED switching status display for each channel
- Manual operation on device (even without bus connection)
- Adjustable characteristics: e.g. switching, delayed switching, pulse function
Reviews: 0
