RMG 4 I KNX
Function description
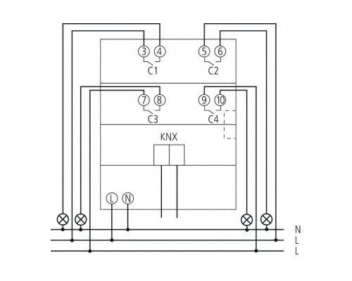
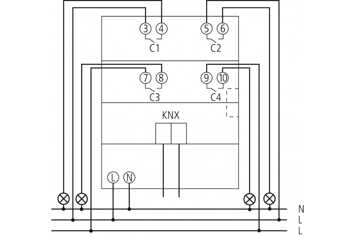
- 4-way C load switching actuator MIX2
- With current recognition
- For higher lamp loads
- Base module MIX2
- Can be upgraded to maximum of 12 channels
- Up to two extension modules MIX or MIX2 can be connected to one base module
- Device and KNX bus module can be swapped independently of each other
- Removable KNX bus module enables devices to be changed without reprogramming
- Manual set-up and use of switching actuators is possible without KNX bus module
- LED switching status display for each channel
Reviews: 0
