RME 8 T KNX
Function description
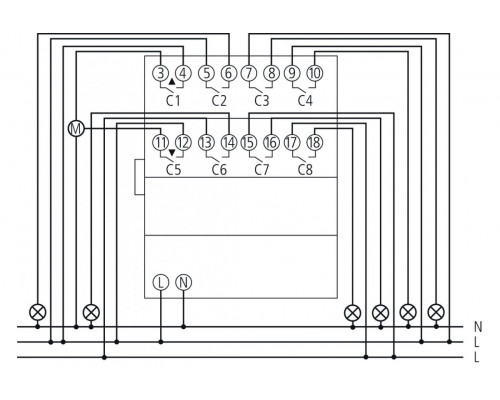
- 8-way switching or 4-way blind actuator MIX2
- Extension module MIX2
- For upgrading to maximum of 24 channels
- Flexible channel function selection as switching actuator or for controlling drives for blinds, shutters, sun and vision protection devices, skylights and ventilation flaps
- Up to two extension modules MIX or MIX2 can be connected to one base module
- Device and KNX bus module can be swapped independently of each other
- Removable KNX bus module enables devices to be changed without reprogramming
- Manual set-up and use of actuator is possible without KNX bus module
- LED switching status display for each channel
- Manual operation on device (even without bus connection)
Reviews: 0
