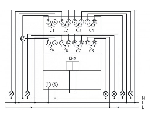
RM 8 T KNX
Function description
- 8-way switching or 4-way blind actuator FIX1
- Flexible channel function selection as switching actuator or for controlling drives for blinds,shutters, sun and vision protection devices, skylights and ventilation flaps
- LED switching status display for each channel
- Manual operation on device (even without bus connection)
Reviews: 0
