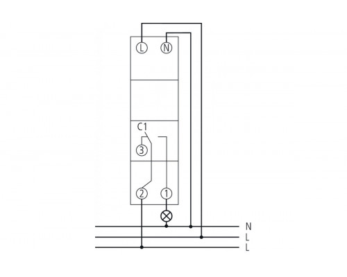
TR 608 top2 S
Function description
- Digital time switch with weekly program
- 1 channel
- 56 memory locations
- DuoFix spring terminals
- For 2 conductors each
- Wire or strand (with or without wire end sleeve)
- Wire diameter: 0.5 - 2.5 mm²
- Button for releasing plug-in connection
- Text-oriented user guidance in display
- Preset date and time
Reviews: 0
