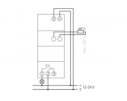
LUNA 110 EL 24V
Function description
- Analogue twilight switch
- External light sensor included in delivery
- Adjustable On and Off switching delay
- to avoid faulty operation caused by lightning, car headlights etc.
- Display of channel and switching status
- DuoFix spring terminals
- for 2 conductors per connection terminal
- Extended brightness levels and adjustable delay
- Five adjustable brightness levels for simple setting of lux value
- Zero-cross switching for relay-saving switching and high lamp loads (not with 24 V devices)
Reviews: 0
