ELPA 9
Function description
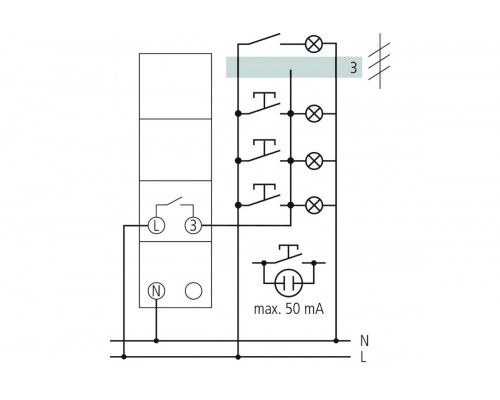
- Staircase time switch, electro-mechcanical
- 3 conductor connection and floor lighting, but without secondary switching (no longer permitted for new systems)
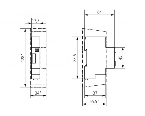
- Terminal layout same as ELPA 8
- No closed-circuit current consumption
- Toggle switch for permanent light ON
- Reliable due to synchronous motor drive
- Simplest possible time setting and direct delay time readout on absolute scale
- Precision mechanics and therefore exact switching period
- Very low sensitivity to interference
Reviews: 0
