ELPA 047
Function description
- Flush-mounted staircase time switch, electronic
- Push button connectable
- Suitable for upgrades and new installation
- Zero-cross switching for relay-saving switching and high lamp loads
- Push button input with electronic overload protection
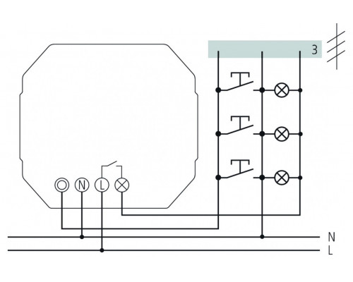
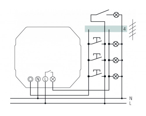
- Automatic 3 or 4 conductor detection (4 conductor with connection for floor lighting, 3 conductor no longer permitted for new systems)
- Extremely accurate
- Immediate secondary switching
Reviews: 0
