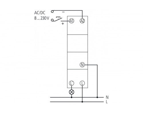
DIMAX 532 plus
Function description
- Universal dimmer for R, L and C loads with automatic load detection
- Switch-on brightness can be saved individually
- Adjustable minimum brightness (required for ESL and LED)
- Multi-voltage input, e.g. for intercoms
- Low stand-by consumption
- Memory function in the event of power failure
- Automatic electronic overload and overheating switch-off
- Dimming switch-on function
- Permanent ON function (test function)
- No minimum load requirement
Reviews: 0
