BZ 148

Новинка
Cod produs:
62755
Артикул:
1480000

ESTE IN STOC

0,00 LEI


  0 opinii

Function description

  • Digital hour counter
  • With EEPROM memory provides reliable operating data capture even with loss of power
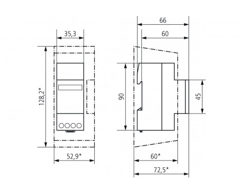
  • For DIN rail mounting with quick fastening for 35 mm profile rails (DIN EN 60 715)
  • Surface mounting with additional terminal box cover plate option
  • 7-digit high-contrast LCD display
  • Captive screw terminals
  • Onscreen progress display
Reviews: 0
Autentifică-te sau Înregistrează un cont nou pentru a putea scie o opinie

Мы используем файлы cookie для улучшения наших услуг и более удобного использования браузера пользователями. Оставаясь на нашем сайте, вы соглашаетесь с использованием файлов cookie

0
0