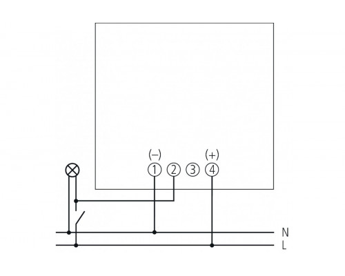
BZ 146
Function description
- Digital hour counter
- Installation cutout 22 mm x 45 mm
- With EEPROM memory provides reliable operating data capture even with loss of power
- Control panel installation
- 7-digit high-contrast LCD display
- Screw terminals
- Onscreen progress display
- Tension clamp brackets for walls up to 5mm thick
- Quartz controlled version
Reviews: 0
