MEM 190 a
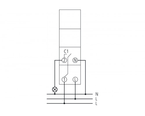
Function description
- Analogue time switch
- 1 channel
- Weekly program
- With power reserve
- 84 switching segments
- Quartz controlled
- Shortest switching time: 2 hours
- Screw terminals
- Manual switch with 3 positions: Permanent ON/AUTO/continuous OFF
Reviews: 0
