Priză Schuko șină DIN, gri Wago 709-581
Производитель: Wago
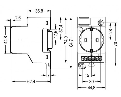
Розетка WAGO на DIN-реку с двойным контактом
Новая розетка, монтируемая на DIN-рельс с двойным контактом для Schuko-вилки, была представлена на Ганноверской ярмарке в апреле 2018. Двойной контакт обеспечивает расширение выходных цепей или предлагает дополнительный разъем для питания. Кроме того, у выхода есть множество функций, которые упрощают работу электромонтажников. Например, цветные угловые клеммные блоки, которые позволяют прокладывать проводку даже в условиях плохой видимости. Выходы доступны в трех цветах, чтобы обозначить различные схемы: серый (стандарт), желтый (постоянный ток), красный (UPS).
Малое время установки
Розетки распределительного шкафа для вилок Schuko и Euro чрезвычайно облегчают работу при монтаже распределительных устройств. Угловое двойное соединение с зажимом Push-In-Cage обеспечивает простую и быструю проводку в поле обзора монтажника. Цветные модули подключения четко определяют потенциал, риск неправильной работы снижается.
Больше гибкости
Благодаря двойному соединению можно подключить несколько разъемов - схемы могут быть легко расширены. Это экономит место на складе и обеспечивает большую гибкость при проектировании распределительного устройства.Установка розетки теперь становится простым вопросом: напряжение сети, требуемое для зарядки батареи, подключения лампы или эксплуатации ноутбука и принтера, можно подключить быстро и безопасно. Гнезда доступны в трех цветовых вариантах: серый - для обозначения стандартных схем, красный – для схем бесперебойного питания и для постоянно работающих цепей - желтый.Максимальная гибкость также доступна во время сборки. Розетки оснащены защелкой TS 35 и отверстиями для крепления винтов, поэтому возможна установка на DIN-рейку или на гладкой поверхности.
- Степень защиты (IP): IP20
- С контрольной лампой: да
- Модульная ширина (общ. кол-во модульных расстояний): 45.000
- Со шторками (защита от прикосновения): нет
- Номин. напряжение: 250.000 В
- Номин. ток: 16.000 А
- Глубина установочная (встраив.): 81.500 мм
- Тип напряжения: AC (перемен.)
- С откидной крышкой: нет
