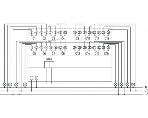
RM 16 S KNX
Function description
- 16-way switching actuator FIX2
- LED switching status display for each channel
- Manual operation on device (even without bus connection)
- Adjustable characteristics: e.g. switching, delayed switching, pulse function
- Links, type of contact (NC contact/NO contact) and participation in central commands such as continuous On, continuous Off, central switching and save/call up scene
- Switching functions: On/Off, pulse, On/Off delay, staircase light with warning
- Logical links: e.g. lock, AND, release, OR
Reviews: 0
