JMG 4 T KNX
Function description
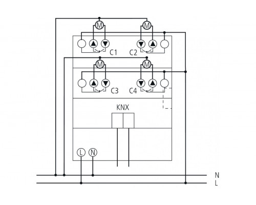
- 4-way blind actuator MIX2
- Base module MIX2
- Can be upgraded to maximum of 12 channels
- For controlling drives for blinds, shutters, sun and vision protection devices, skylights and ventilation flaps
- Up to 2 extension modules can be connected to a base module
- Up to two extension modules MIX or MIX2 can be connected to one base module
- Device and KNX bus module can be swapped independently of each other
- Removable KNX bus module enables devices to be changed without reprogramming
- Manual set-up and use of actuators is possible without KNX bus module
- Free combination of switches, dimming, blinds and heating control as well as binary inputs
Reviews: 0
