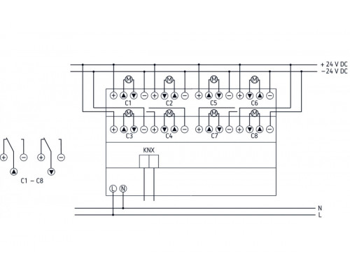
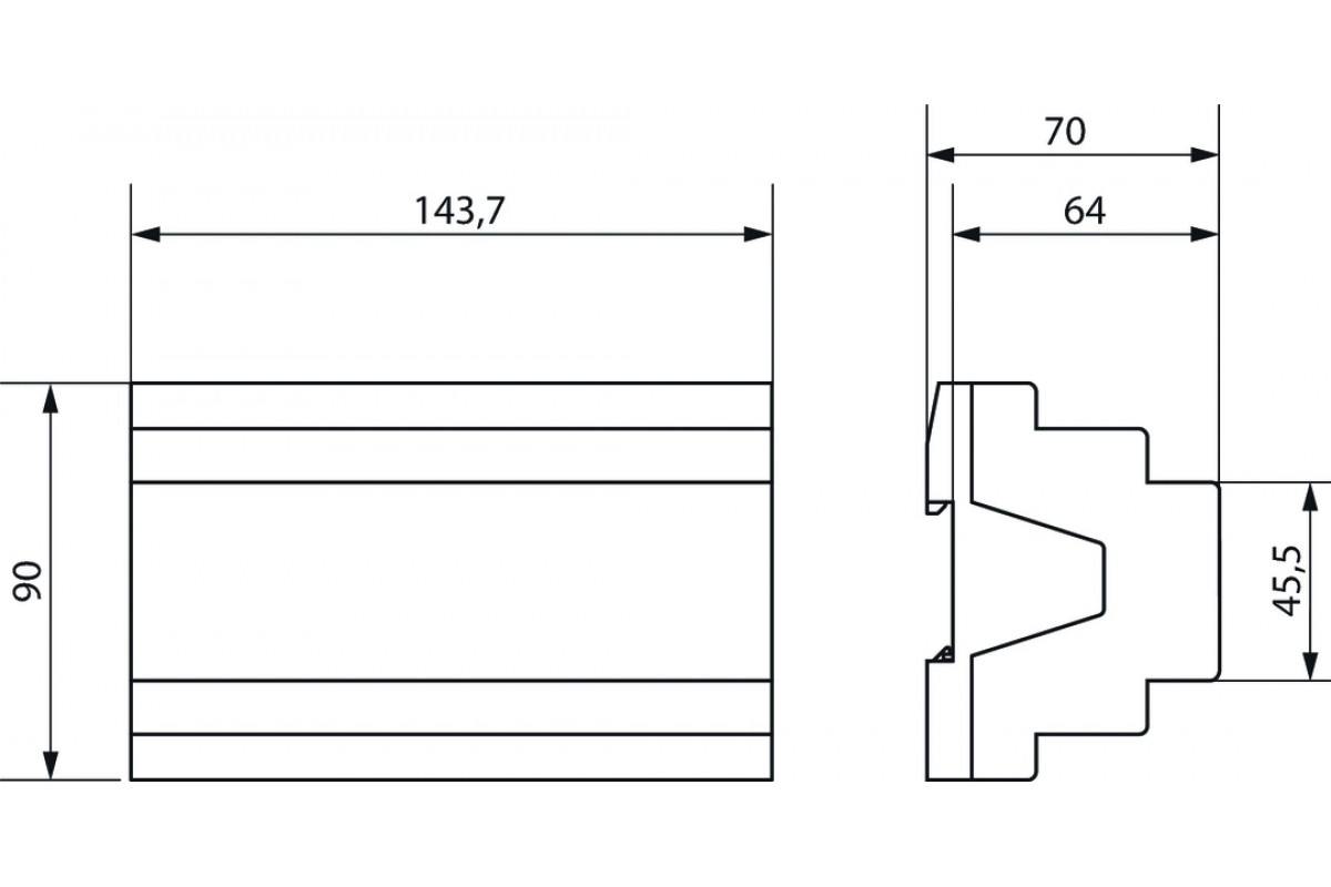
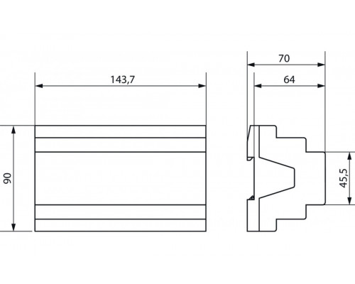
JM 8 T 24V KNX
Function description
- 8-way blind actuator 24V FIX2
- For controlling 24V drives for blinds, shutters, sun and vision protection devices, skylights and ventilation flaps
- Manual operation on device (even without bus connection)
- LED Up and Down switching status display for each channel
- Potential-free contacts for Up and Down per channel
- Copy function for fast configuration
Reviews: 0
