JM 4 T KNX
Function description
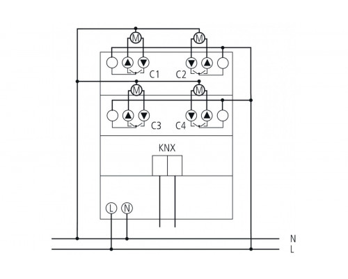
- 4-way blind actuator FIX1
- For controlling drives for blinds, shutters, sun and vision protection devices, skylights and ventilation flaps
- Manual operation on device (even without bus connection)
- LED Up and Down switching status display for each channel
- Potential-free contacts for Up and Down per channel
- Copy function for fast configuration
Reviews: 0
