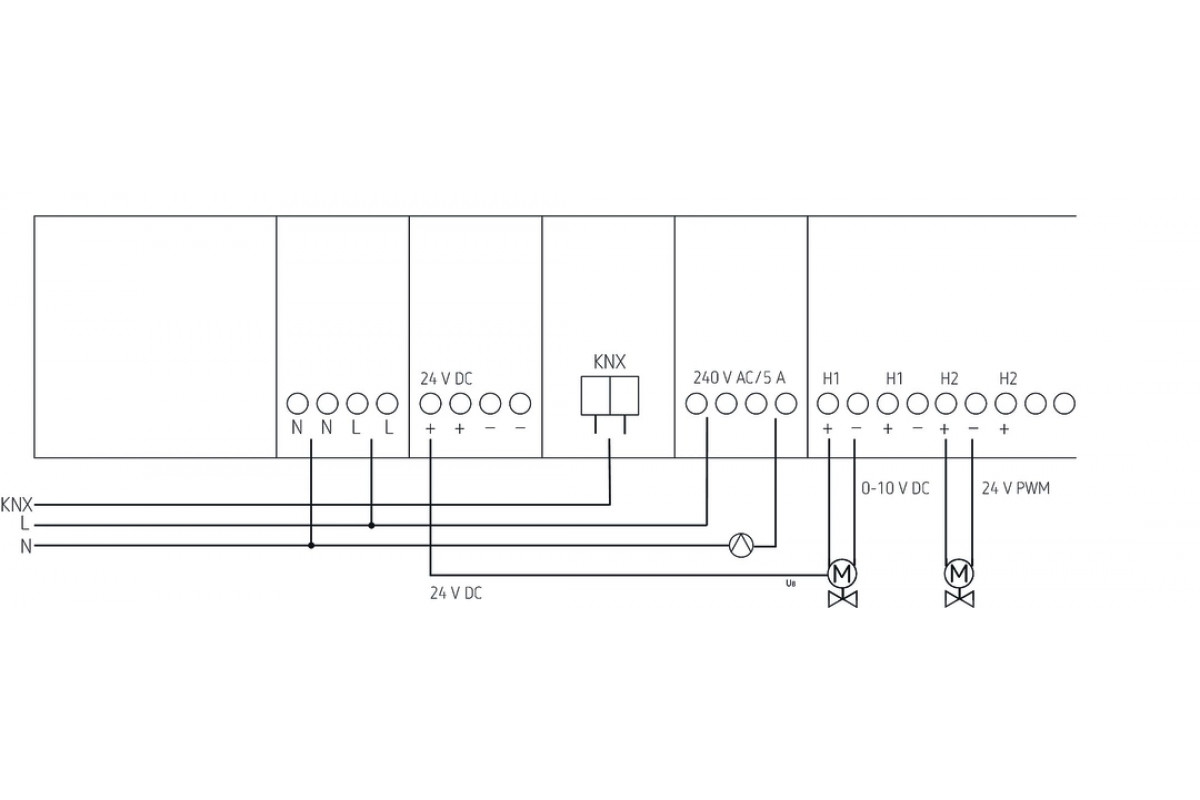
HMT 6 S KNX
Function description
- Heating actuator for controlling 6 heating circuits with thermal actuators, switching 24 V DC or permanently 0–10 V DC
- Integration of up to 2 heating circuit pumps
- Flow temperature adjustment to meet requirements: Automatic calculation of the maximum actuating value for energyefficient adjustment of the actuating value to actual requirements
- No KNX room thermostat needed: Flexible use of each channel as a heating actuator or heating controller
- Can be installed directly on a rail in the heating circuit distributor
- Screwless terminal technology
- Integrated power supply for thermal actuators
- For integrating boiler control
- Continuous or switching actuating value selectable
Reviews: 0
