HME 6 T KNX
Function description
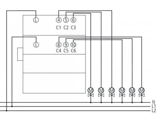
- 6-way heating actuator MIX2
- With 6 temperature controllers (P/PI) for heating and cooling
- Extension module MIX2
- For upgrading to maximum of 18 channels
- For controlling thermal actuators 24 V - 240 V AC in 2 groups with 3 outputs and 450 mA each
- (Due to the switch-on behaviour of the actuators, we recommend not to exceed a maximum load of 3x1 actuators 24 V AC or 3x5 actuators 230 V AC)
- Short-circuit-proof and overcharge protected
- Continuous or switching actuating value selectable
- Valve protection function can be deactivated
- With the modes: comfort, standby, night as well as frost/heating protection
Reviews: 0
