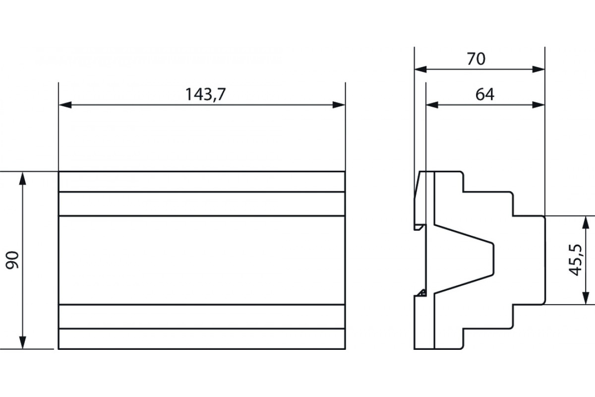
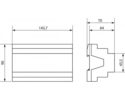
HM 12 T KNX
Function description
- 12-way heating actuator FIX2
- With temperature controllers (P/PI) for heating and cooling
- For controlling 12 thermal actuators 24 V - 240 V AC in 4 groups with 3 outputs and 450 mA each
- (Due to the switch-on behaviour of the actuators, we recommend not to exceed a maximum load of 3x1 actuators 24 V AC or 3x5 actuators 230 V AC)
- Short-circuit-proof and overcharge protected
- Continuous or switching actuating value selectable
- Valve protection function can be deactivated
- With the modes: comfort, standby, night as well as frost/heating protection
- Changeover to summer mode possible
- LED switching status display for each channel
Reviews: 0
