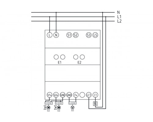
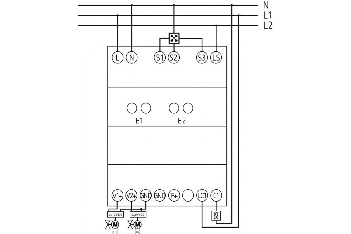
FCA 2 KNX
Function description
- Fan coil actuator
- For controlling fan coils
- For 2 and 4 pipe systems
- For up to three fan stages
- Optionally with 0-10 V fan control
- For proportional 0-10 V valves
- Additional relay for electrical heater or cooler bank
- Potential-free input for window contacts or temperature sensor
- Potential-free, condensation monitoring
- Display of operation status via 9 LEDs
Reviews: 0
