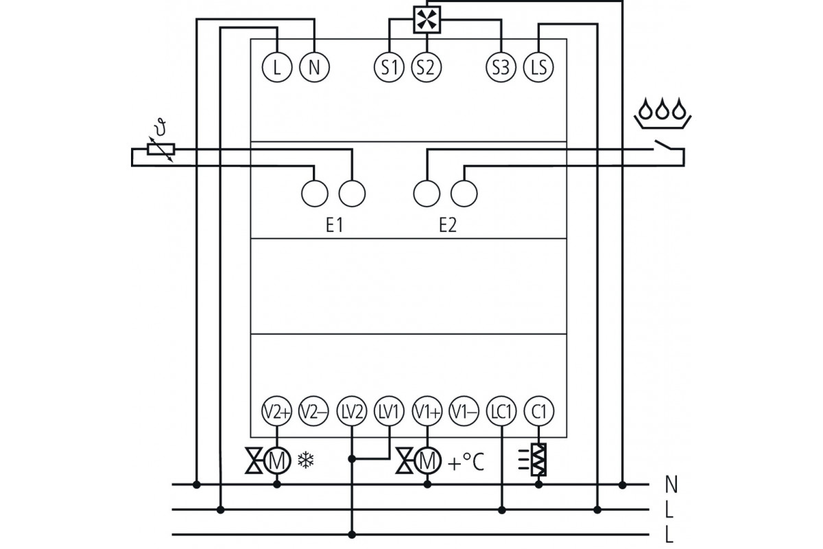
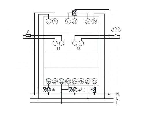
FCA 1 KNX
Function description
- Fan coil actuator
- For controlling fan coils
- For 2 and 4 pipe systems
- For up to three fan stages
- For 2-way and 3-way valves
- Additional relay for electrical heater or cooler bank
- Potential-free input for window contacts or temperature sensor
- Potential-free, condensation monitoring
- Display of operation status via 9 LEDs
- Manual operation on device (fan satges, switching between heating and cooling)
Reviews: 0
