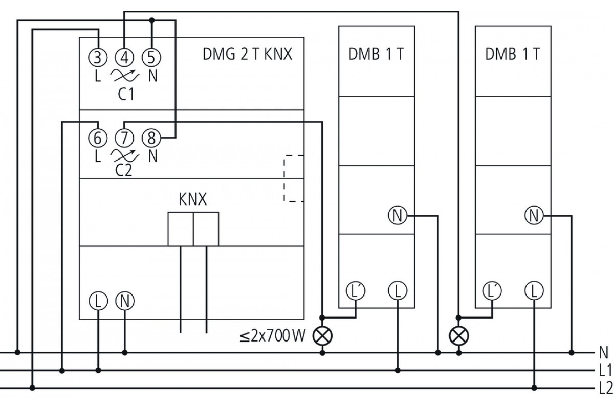
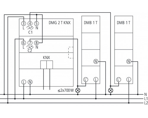
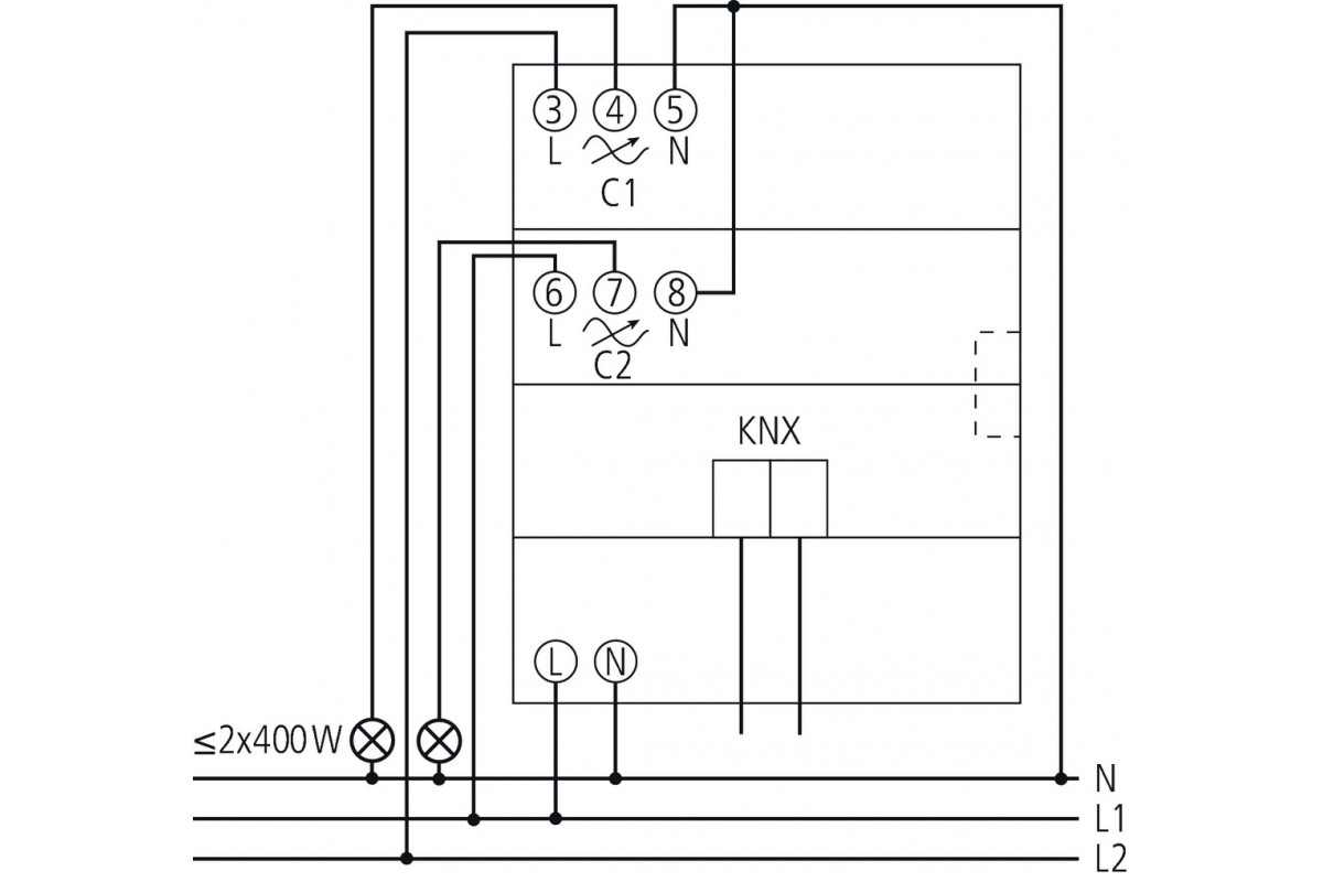
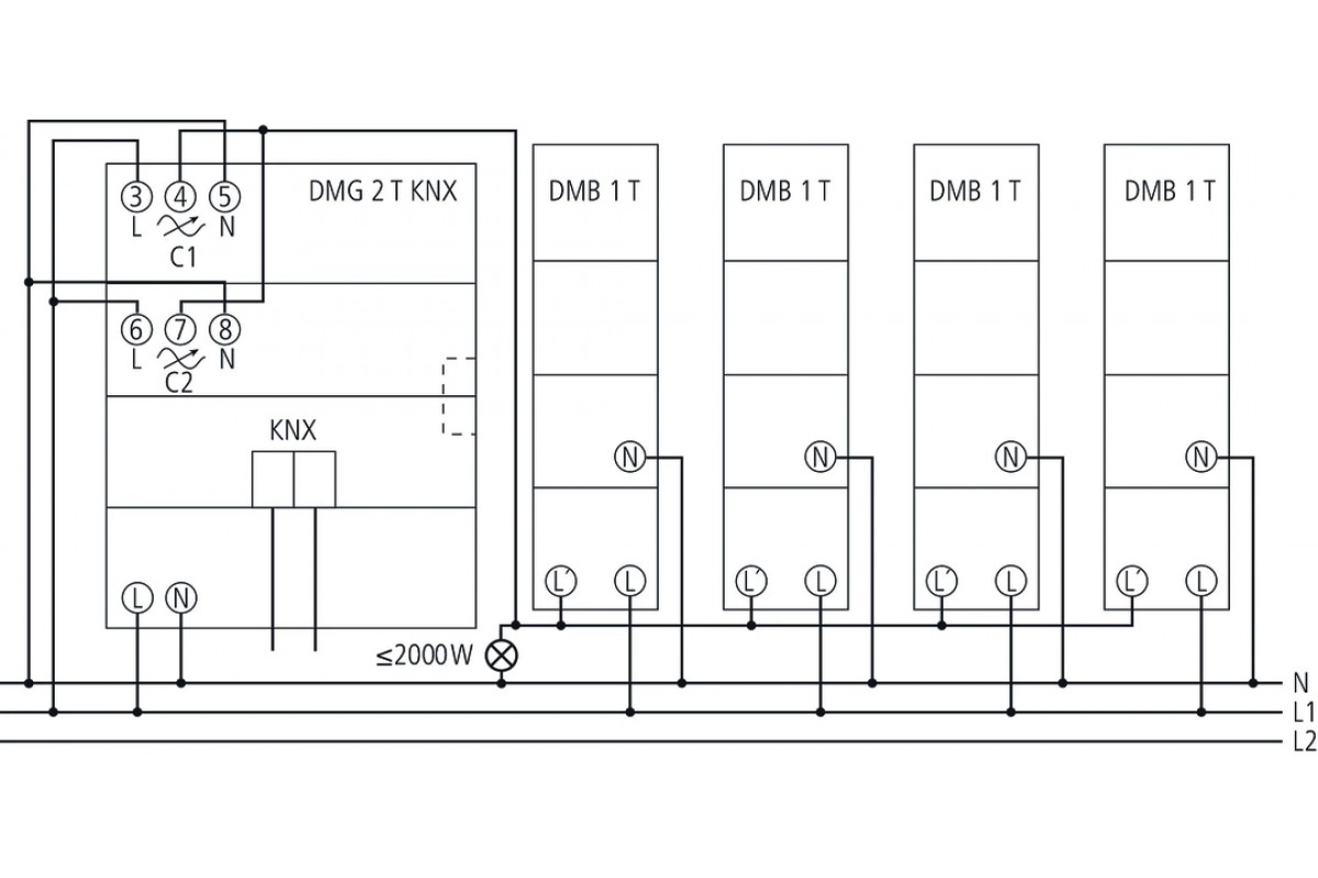
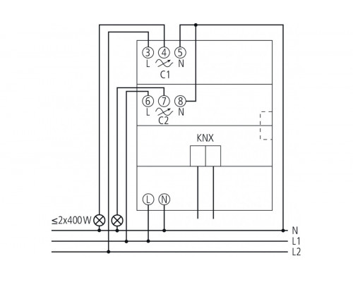
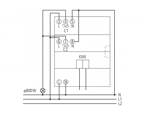
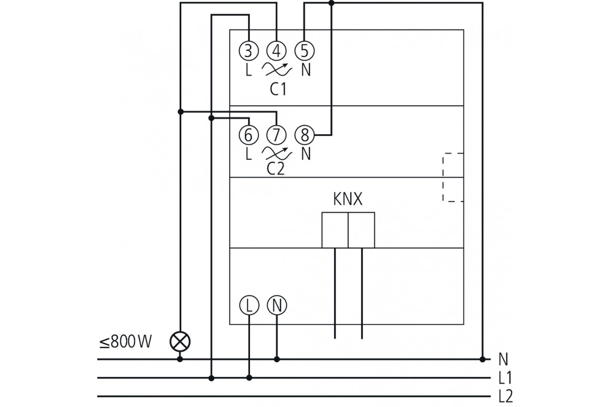
DMG 2 T KNX
Function description
- 2-way universal dimmer actuator MIX2
- Base module MIX2
- Can be upgraded to maximum of 6 channels
- For dimming dimmable LED, incandescent lamps, LV, HV halogen lamps and energy saving lamps
- Also suitable for dimming of dimmable energy-saving lamps
- Also suitable for controlling fans
- Up to two extension modules MIX or MIX2 can be connected to one base module
- Device and KNX bus module can be swapped independently of each other
- Removable KNX bus module enables devices to be changed without reprogramming
- Manual set-up and use of switching actuators is possible without KNX bus module
Reviews: 0
