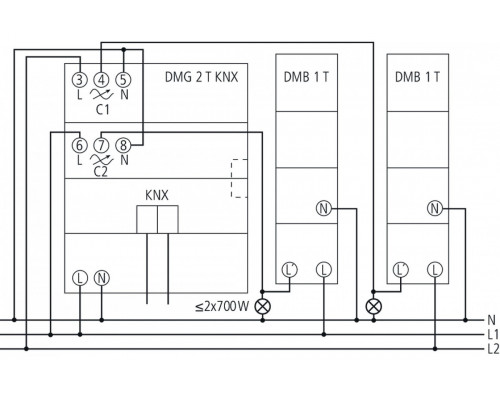
DMB 1 T KNX
Function description
- 1 channel dimming output extension module 'Dimmbooster'
- For extending the output of base and extension dimming actuators for 300 W/VA per channel. Extending output to a maximum of 2000 W/VA by using max. 4 boosters possible
Reviews: 0
