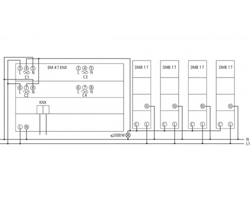
DM 4 T KNX
Function description
- 4-way universal dimmer actuator FIX2
- For dimming dimmable LED, incandescent lamps, LV, HV halogen lamps and energy saving lamps
- Also suitable for dimming of dimmable energy-saving lamps
- Also suitable for controlling fans
- LED switching status display for each channel
- Manual operation on device (even without bus connection)
- Dimming output: 400 W/VA per channel or 800 W/VA in parallel operation
- The dimming output can be upgraded by using additional dimmboosters "DMB 1 T KNX" - dimming output 300 W/VA for each dimmbooster. Output to a maximum of 2000 W/VA by using max. 4 boosters possible
- Automatic load detection (can be deactivated)
- For R, L and C loads
Reviews: 0
