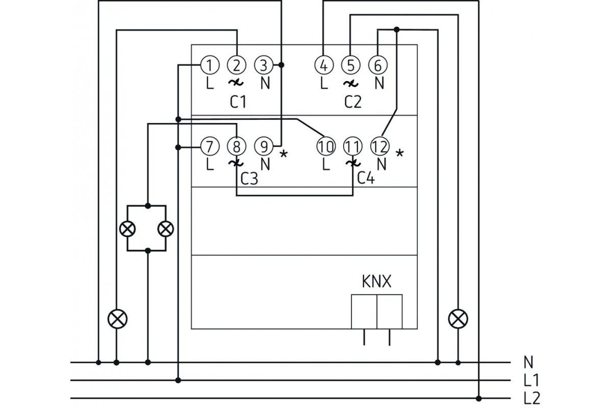
DM 4-2 T KNX
Function description
- 4-way universal dimmer actuator FIX1
- For dimming dimmable LED, incandescent lamps, LV, HV halogen lamps and energy saving lamps
- Also suitable for dimming of dimmable energy-saving lamps
- Also suitable for controlling fans
- LED switching status display for each channel
- Manual operation on device
- Dimming output: 200 W per channel
- Automatic load detection (can be deactivated)
- For R, L and C loads
Reviews: 0
